Nanotechnology Now

Our NanoNews Digest Sponsors
Heifer International



Home > Press > Xanofi Announces First Commercial XanoShear™ Nanofiber Machine

Abstract:
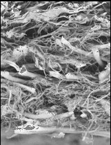
Xanofi, a nanotech company specializing in nanofiber applications, announces a new platform for nanofiber production with their commercial XanoShear™ machine. The world's first production unit is now fully operational and currently being optimized for high yield production.

Xanofi Announces First Commercial XanoShear™ Nanofiber Machine

Raleigh, NC | Posted on November 16th, 2012

The machine is a unique high yield, liquid-based platform for nanofiber production - a radical departure from meltblowing and electrospinning, the previous production methods. XanoShear™ is a new paradigm in nanofiber production - both in terms of yield as well as integration into commercial manufacturing. Xanofi now offers its clients a full range of services from research and product development through full commercial production.

The key to XanoShear™ is liquid - while other technologies produce dry, continuous fibers, XanoShear™ produces staple fibers that can disperse in water and integrate into existing production environments. The Company has successfully produced products via wet lay manufacturing and isdeveloping both wet and dry spraying capabilities. Several applications in medical, filtration, acoustics and energy have already successfully incorporated nanofibers using XanoShear.

The XanoShear platform also has many other advantages - high scalability, ability to functionalize fibers at full production speeds with particles or coatings, and a closed system that uses less energy without the discharge of any materials into the environment for "green" manufacturing.

"Until today, the nanofiber industry only had two platforms for nanofiber production, meltblowing and electrospinning. Today the world has an exciting new choice - XanoShear - that opens up new applications for nanofibers and achieves new financial metrics for products " states Miles Wright, Xanofi CEO.

####

About Xanofi
Xanofi, a nanotech company specializing in production of nanofibers, has changed the global landscape on how nanofibers are manufactured with a new platform process that is highly efficient and easy to integrate into production environments. Using a patented technique called XanoShear™, this scalable Xanofi process will produce nanofibers at lower cost and significantly higher yields than current methods. This game-changing technology will enable many more industrial and consumerproducts to reach the market sooner.
See Xanofi.com for more detailed information

For more information, please click here

Contacts:
Kevin Rudolph
Director of Strategic Alliances
919-656-0554

Copyright © Xanofi

If you have a comment, please Contact us.

Issuers of news releases, not 7th Wave, Inc. or Nanotechnology Now, are solely responsible for the accuracy of the content.

Bookmark:
Delicious Digg Newsvine Google Yahoo Reddit Magnoliacom Furl Facebook

Related News Press

News and information

Decoding hydrogen‑bond network of electrolyte for cryogenic durable aqueous zinc‑ion batteries January 30th, 2026

COF scaffold membrane with gate‑lane nanostructure for efficient Li+/Mg2+ separation January 30th, 2026

Breathing new life into nanotubes for a cooler planet:Researchers at Skoltech discover a simple, single-step heat treatment that nearly doubles the CO2-trapping power of carbon nanotubes January 30th, 2026

New light-based nanotechnology could enable more precise, less harmful cancer treatment: The approach offers a potential alternative to chemotherapy and radiation by using light and heat to target cancer cells. January 30th, 2026

Announcements

Decoding hydrogen‑bond network of electrolyte for cryogenic durable aqueous zinc‑ion batteries January 30th, 2026

COF scaffold membrane with gate‑lane nanostructure for efficient Li+/Mg2+ separation January 30th, 2026

Breathing new life into nanotubes for a cooler planet:Researchers at Skoltech discover a simple, single-step heat treatment that nearly doubles the CO2-trapping power of carbon nanotubes January 30th, 2026

New light-based nanotechnology could enable more precise, less harmful cancer treatment: The approach offers a potential alternative to chemotherapy and radiation by using light and heat to target cancer cells. January 30th, 2026

Tools

Metasurfaces smooth light to boost magnetic sensing precision January 30th, 2026

From sensors to smart systems: the rise of AI-driven photonic noses January 30th, 2026

Gap-controlled infrared absorption spectroscopy for analysis of molecular interfaces: Low-cost spectroscopic approach precisely analyzes interfacial molecular behavior using ATR-IR and advanced data analysis October 3rd, 2025

Japan launches fully domestically produced quantum computer: Expo visitors to experience quantum computing firsthand August 8th, 2025

Textiles/Clothing

This new fabric coating could drastically reduce microplastic pollution from washing clothes: University of Toronto Engineering researchers are working on a fabric finish to prevent microplastic fibres from shedding during laundry cycles January 27th, 2023

Protective equipment with graphene nanotubes meets the strictest ESD safety standards March 25th, 2022

Polymer fibers with graphene nanotubes make it possible to heat hard-to-reach, complex-shaped items February 11th, 2022

Flexible material shows potential for use in fabrics to heat, cool July 3rd, 2020

NanoNews-Digest
The latest news from around the world, FREE




  Premium Products
NanoNews-Custom
Only the news you want to read!
 Learn More
NanoStrategies
Full-service, expert consulting
 Learn More











ASP
Nanotechnology Now Featured Books




NNN

The Hunger Project