Nanotechnology Now

Our NanoNews Digest Sponsors
Heifer International



Home > Press > Patent for Coaxial Nanofibre Production: Scientists from Contipro have patented new jet for effective coaxial nanofibers production

Abstract:
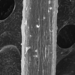
Although nanofibres are thousands of times finer than a human hair, with current technology scientists can produce fibres of this size where the inside is made with a different material from the outer coating. However, this success has mainly been limited to laboratory, as the switch to full-scale production has proved to be a very difficult technical problem.

Patent for Coaxial Nanofibre Production: Scientists from Contipro have patented new jet for effective coaxial nanofibers production

Czech Republic | Posted on May 31st, 2013

Contipro's scientists have now managed to overcome the obstacles hampering the industrial production of coaxial nanofibres. To increase the production of coaxial fibres, they have developed a jet, the patent for which has been published this month. The invention's European creators expect this to result in particular in the possibility of transferring the preparation of coaxial fibres from the laboratory to genuinely industrial-scale production. The advantage of the jet, besides the amount it can produce, is that it is easy to clean and maintain.

Coaxial fibres can potentially be used for a number of interesting applications. The fibre coating, for example, can be made from quickly soluble material which releases a large amount of substance from the huge surface of nanofibres in a short time. Conversely, the middle of a fibre can retain its mechanical properties and release only small quantities of substance over an extended period. The correct timing can be controlled for all of these processes. A particular application could be for the decoupling materials used in operations of the abdominal cavity. Over the space of a few days, a substance is released from the fibre coating that prevents inflammation. Then, after two weeks of healing, the fibre core releases an agent promoting tissue regeneration. After two weeks, the material, having prevented unwanted accretions and accelerated the healing process, is completely dissolved.

A device 4SPIN introduced by the same group of developers in Japan at the start of the year is to focus on these new applications. This device, approximately a metre in height, facilitates laboratory research and the development of nano-materials for tissue engineering and other fields unrelated to medicine. According to its creators, the device's main advantage is its emphasis on processing difficult-to-spin polymers and the possibility of almost perfectly aligning nanofibres.

####

About Contipro Biotech
Contipro Biotech is an innovative company from the Czech Republic primarily focusing on bio and nanotechnology. Its laboratory apparatus 4SPIN is able to process a wide range of natural and synthetic polymers with highly repeatable results. Due to its modular character and friendly user interface, many crucial properties such as fiber alignment, diameter or fiber density can be easily controlled and optimized. Contipro can offer scientific support for processing of biopolymers, as well as the materials used for nanoapplications in medicine. There are more than 90 researchers employed in company's R&D laboratories and research is backed by twenty years of experience. Contipro is a world leading company in hyaluronan chemistry.

For more information, please click here

Contacts:
Tomas Papez
Contipro Group
(420) 606 747 097

Copyright © Contipro Biotech

If you have a comment, please Contact us.

Issuers of news releases, not 7th Wave, Inc. or Nanotechnology Now, are solely responsible for the accuracy of the content.

Bookmark:
Delicious Digg Newsvine Google Yahoo Reddit Magnoliacom Furl Facebook

Related News Press

News and information

Decoding hydrogen‑bond network of electrolyte for cryogenic durable aqueous zinc‑ion batteries January 30th, 2026

COF scaffold membrane with gate‑lane nanostructure for efficient Li+/Mg2+ separation January 30th, 2026

Breathing new life into nanotubes for a cooler planet:Researchers at Skoltech discover a simple, single-step heat treatment that nearly doubles the CO2-trapping power of carbon nanotubes January 30th, 2026

New light-based nanotechnology could enable more precise, less harmful cancer treatment: The approach offers a potential alternative to chemotherapy and radiation by using light and heat to target cancer cells. January 30th, 2026

Nanomedicine

New molecular technology targets tumors and simultaneously silences two ‘undruggable’ cancer genes August 8th, 2025

New imaging approach transforms study of bacterial biofilms August 8th, 2025

Cambridge chemists discover simple way to build bigger molecules – one carbon at a time June 6th, 2025

Electrifying results shed light on graphene foam as a potential material for lab grown cartilage June 6th, 2025

Materials/Metamaterials/Magnetoresistance

First real-time observation of two-dimensional melting process: Researchers at Mainz University unveil new insights into magnetic vortex structures August 8th, 2025

Researchers unveil a groundbreaking clay-based solution to capture carbon dioxide and combat climate change June 6th, 2025

A 1960s idea inspires NBI researchers to study hitherto inaccessible quantum states June 6th, 2025

Institute for Nanoscience hosts annual proposal planning meeting May 16th, 2025

Announcements

Decoding hydrogen‑bond network of electrolyte for cryogenic durable aqueous zinc‑ion batteries January 30th, 2026

COF scaffold membrane with gate‑lane nanostructure for efficient Li+/Mg2+ separation January 30th, 2026

Breathing new life into nanotubes for a cooler planet:Researchers at Skoltech discover a simple, single-step heat treatment that nearly doubles the CO2-trapping power of carbon nanotubes January 30th, 2026

New light-based nanotechnology could enable more precise, less harmful cancer treatment: The approach offers a potential alternative to chemotherapy and radiation by using light and heat to target cancer cells. January 30th, 2026

Patents/IP/Tech Transfer/Licensing

Getting drugs across the blood-brain barrier using nanoparticles March 3rd, 2023

Study finds nanomedicine targeting lymph nodes key to triple negative breast cancer treatment: In mice, nanomedicine can remodel the immune microenvironment in lymph node and tumor tissue for long-term remission and lung tumor elimination in this form of metastasized breast cance May 13th, 2022

Metasurfaces control polarized light at will: New research unlocks the hidden potential of metasurfaces August 13th, 2021

Arrowhead Pharmaceuticals Announces Closing of Agreement with Takeda November 27th, 2020

NanoNews-Digest
The latest news from around the world, FREE




  Premium Products
NanoNews-Custom
Only the news you want to read!
 Learn More
NanoStrategies
Full-service, expert consulting
 Learn More











ASP
Nanotechnology Now Featured Books




NNN

The Hunger Project