Nanotechnology Now

Our NanoNews Digest Sponsors
Heifer International



Home > Press > “Super paper:” New nanopaper more break-resistant than cast iron

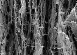
Scientists report development of cellulose nanopaper, a superstrong material that could be used in the construction industry. Above is a cross-section of a fracture surface of a cellulose nanofibril film. 
Courtesy of American Chemical Society
Scientists report development of cellulose nanopaper, a superstrong material that could be used in the construction industry. Above is a cross-section of a fracture surface of a cellulose nanofibril film.
Courtesy of American Chemical Society

Abstract:
Researchers in Sweden and Japan report development of a new type of paper that resists breaking when pulled almost as well as cast iron. The new material, called "cellulose nanopaper," is made of sub-microscopic particles of cellulose and may open the way for expanded use of paper as a construction material and in other applications, they suggest. Their study is scheduled for the June 9 issue of ACS' Biomacromolecules, a monthly journal.

“Super paper:” New nanopaper more break-resistant than cast iron

Stockholm, Sweden | Posted on June 4th, 2008

In the new study, Lars A. Berglund and colleagues note that cellulose — a tough, widely available substance obtained from plants — has potential as a strong, lightweight ingredient in composites and other materials in a wide range of products. Although cellulose-based composites have high strength, existing materials are brittle and snap easily when pulled.

The study described a solution to this problem. It involves exposing wood pulp to certain chemicals to produce cellulose nanopaper. Their study found that its tensile strength — a material's ability to resist pull before snapping — exceeded that of cast iron. They also were able to adjust the paper's strength by changing its internal structure. — MTS

####

For more information, please click here

Contacts:
Lars A. Berglund, Ph.D.
Royal Institute of Technology
Stockholm, Sweden
Phone: 46-8-7908118
Fax: 46-8-7908101

If you have a comment, please Contact us.

Issuers of news releases, not 7th Wave, Inc. or Nanotechnology Now, are solely responsible for the accuracy of the content.

Bookmark:
Delicious Digg Newsvine Google Yahoo Reddit Magnoliacom Furl Facebook

Related News Press

News and information

Decoding hydrogen‑bond network of electrolyte for cryogenic durable aqueous zinc‑ion batteries January 30th, 2026

COF scaffold membrane with gate‑lane nanostructure for efficient Li+/Mg2+ separation January 30th, 2026

Breathing new life into nanotubes for a cooler planet:Researchers at Skoltech discover a simple, single-step heat treatment that nearly doubles the CO2-trapping power of carbon nanotubes January 30th, 2026

New light-based nanotechnology could enable more precise, less harmful cancer treatment: The approach offers a potential alternative to chemotherapy and radiation by using light and heat to target cancer cells. January 30th, 2026

Discoveries

From sensors to smart systems: the rise of AI-driven photonic noses January 30th, 2026

Decoding hydrogen‑bond network of electrolyte for cryogenic durable aqueous zinc‑ion batteries January 30th, 2026

COF scaffold membrane with gate‑lane nanostructure for efficient Li+/Mg2+ separation January 30th, 2026

Breathing new life into nanotubes for a cooler planet:Researchers at Skoltech discover a simple, single-step heat treatment that nearly doubles the CO2-trapping power of carbon nanotubes January 30th, 2026

Announcements

Decoding hydrogen‑bond network of electrolyte for cryogenic durable aqueous zinc‑ion batteries January 30th, 2026

COF scaffold membrane with gate‑lane nanostructure for efficient Li+/Mg2+ separation January 30th, 2026

Breathing new life into nanotubes for a cooler planet:Researchers at Skoltech discover a simple, single-step heat treatment that nearly doubles the CO2-trapping power of carbon nanotubes January 30th, 2026

New light-based nanotechnology could enable more precise, less harmful cancer treatment: The approach offers a potential alternative to chemotherapy and radiation by using light and heat to target cancer cells. January 30th, 2026

Construction

Temperature-sensing building material changes color to save energy January 27th, 2023

Strain-sensing smart skin ready to deploy: Nanotube-embedded coating detects threats from wear and tear in large structures July 15th, 2022

A sunlight-driven “self-healing” anti-corrosion coating May 27th, 2022

Polymer fibers with graphene nanotubes make it possible to heat hard-to-reach, complex-shaped items February 11th, 2022

NanoNews-Digest
The latest news from around the world, FREE




  Premium Products
NanoNews-Custom
Only the news you want to read!
 Learn More
NanoStrategies
Full-service, expert consulting
 Learn More











ASP
Nanotechnology Now Featured Books




NNN

The Hunger Project